10系とは?

なんだか客車の車両型式に聞こえますが、10系客車よりも古い送信管の系譜で有名なことはベテランの方ならご存知かと思います。

元はGEの開発したUV-202から始まり、ベースがUX4PになってUX-210になり、ナス管からST管になると200番台の数字が外れて10となりました。

その後耐震高信頼管の10Yとなり、軍用ですのでVT-25とも呼ばれ、耐圧を上げるために電極保持をマイカからステアタイトにした801に発展、最終形態はベースが黒からこげ茶に変わって801Aとなりました。801 / 801Aは軍用ナンバーVT-62が与えられています。

このように少しづつ改良が加えられた送信管ですが、基本動作は変わっておらず、Ep-Max 425Vで定格1.6Wが出せることになっています。801系だけはEp-Max 600Vまで上げられるので3.8Wと大幅にアップされました。

他にもカンニガム社は300番台の品番を付けるのでC-310、RCAではCA-10、初期の日本に伝わったものはC-202Aなど色々な品番がありますが、全て10と同規格でソケットの違うUV-202以外はそのまま挿し替えができます。

801系もそのまま挿し替えれば同じ出力で使えますが、せっかく高耐圧になったので、もう少しプレート電圧を上げれば出力アップが図れます。

10系はアメリカ製が多く出回っていますが、一部の品番は日本でもライセンス生産されていたため同じ品番のものがあります。ヨーロッパでも生産され、そちらはPP3 / 425やPX-2100など品番の違う類似品です。これらはUXとUFソケットのものがあり、UXなら互換性があります。

送信管を低周波出力として使うのは今に始まったことではなく、初期の電蓄はまだ低周波専用のパワー管が開発されていなかったため、UX-210が使われていました。

そのUX-210をベースに内部抵抗を低くして電流を流れやすくし、低周波専用パワー管に改良したものが250(50)で、すぐにもう少し小型で効率の良いの171(71)や245(45)など後に有名になるパワー管が開発されていきました。

10系に限らず送信管は点火すると電球のように明るいトリウムタングステンのフィラメントを持つものが多いですが、これらは振動や過電圧に弱く、注意深く扱わないとスグに切れてしまいます。

ウェスタンエレクトリックのVT-25 / VT-25Aだけは酸化被膜の暗いフィラメントで、振動に弱いと言う弱点を克服した当時としては技術的に進んでいた球と言えます。

暗い球ほど音が良いと言う私の勝手なイメージもあり、ハイインピーダンスの送信管にあまり手を出さなかったと言う理由です。実際に同じ直熱3極管でも2A3、300B、Edなど薄暗い球ほど音質的に評価の高いものが多くあります。
  801A

↑ RCAとユナイテッドのVT-62 / 801A。本機ではベースや文字の色が合うためユナイテッドの801Aをデフォルトにした



801A

↑ テイラーのVT-25とWEのVT-25A。テイラーの方は写真がヘンだが鏡のようにゲッタが大きい。(白く反射してない黒い部分もゲッタ)



801A

↑ 川西機械製作所のC-202Aは扁平頭と丸頭がある。




● ● ●


出力管の代表規格

 10, 10Y
VT-25
VT-25A
UX-202
UX-210
VT-62
801
801A
Base
Ef/If7.5V/1.25A
最大定格
Eb425V600V
Ib60mA70mA
Ec-200V--
Ic15mA15mA
Ploss15W20W
代表動作例
動作A1級シングル
Eb425V600V
Ib18mA30mA
Ic--15mA
Ec-40V-55V
gm1680uMo
1600uMo(202)
1840uMo
μ88
Rp5kΩ4.3kΩ
RL10.2kΩ7.8kΩ
Po1.6W
1.54W(202)
3.8W

RCAの801A動作曲線

↑ 初期設計時の動作曲線。RCAグラフにプレート損失境界と14kΩのロードラインを引いたもの。このグラフだけ見るともっとRLが低くても良さそうに見えるが実際に作ってみると・・・


 

出力段

せっかくグリッドがプラスまで正式に使える送信管なので、そのようにしたいと思います。

過去にカソードフォロワー直結ドライブで作ったことはありますが、その時の印象が少々弱かったこともあり、本機は同じA2級動作でもトランスドライブにします。

ただそのままトランスドライブしてもカマボコ形の周波数特性になり、今までと対して変わらないと言うことになってしまうので、本機ではインターステージトランスに2巻線型で直列・並列のどちらでも使えるタンゴのNC-14を使い、ステップダウンにしてインピーダンスを下げ、強力にドライブするようにします。

また、通常は全ての10系が使えるプレート電圧・損失にし、定格が拡大されたVT-62 / 801Aのみ高圧を掛けてパワーアップできるようにしました。

そのようにするとカソードフォロワー直結ドライブでは動作点が変わってしまいますが、幸いトランスドライブですのでスイッチで電圧を切り替えても前段の動作に影響がありません。

まあ、ジツはそれをやりたいためにトランスドライブにしたとも言えます。

出力トランスは数十年死蔵していたタンゴFW-20-14Sを使います。やっと日の目を見ることができました。

若い頃、色々な雑誌記事を見るとVT-62 / 801Aには1次インピーダンス14kΩのこのトランスが定番でしたがメリットが解らず、余計カマボコになるし、球の特性曲線を見ると規格表通りもっと低いインピーダンスの方が良いのではないか、と思っていました。

しかし実際に作ってみるとダンピングファクターや歪率の面で確かにこれくらいの方が良い、と思ったのはかなり後年になってからのことです。

フィラメントは7.5Vと高いので直流点火にします。

最初は交流/直流切替式にしようと考えていたのですが、シャーシー加工が終わるまでスイッチを付けるスペースを確保するのを忘れてしまいました。

そのために今回もハムバランサーをフロントパネルに出したのですが、直流点火だけなら少々ムダになります。

ただ、実際に色々なパワー管を挿し替えてみると、ハム最小点が違いましたので、少しは役に立ちました。



● ● ●


電圧増幅管の代表規格

 Tung-Sol 5687WA
Base
Eh/Ih6.3V/0.9A
12.6V/0.45A
最大定格
Eb330V(Tung-Sol)、300V(Toshiba)
Ploss4.2W(各ユニット)
7.5W(両ユニット合計)
Ik65mA
Eh-k+-90V
Ic6mA
Rc1MΩ
Bulb Temp.220°C
代表動作例
動作A1級シングル
Eb120V250V
Ib36mA12mA
Ec-2V-12.5V
μ1816
gm11,500uS5,400uS
Rp1560Ω3000Ω

レイセオンのCK5687動作曲線

↑ 初段とドライブ段の動作曲線。レイセオンのグラフにプレート損失境界とロードラインを引いたもの。トランスの使える電流に余裕があるためドライブ段は音質のために遠慮なく使っている。




 

初段+ドライブ段

トランスドライブにした時点でNFBを掛けることは考えておらず、無帰還ですのでゲインはあまり必要ありません。

初段1段でも何とかなりそうですが、NC-14の1次インピーダンスを考えると、なるべく低インピーダンスで電流を多く流した方が良さそうです。

通常は6V6の3結などパワー管でトライブすることが推奨されていますが、スペースが厳しいので5687WAを使うことにしました。

5687WAは大電流で真価を発揮するタイプですが、それゆえに使用をためらってしまうこともあります。

ヒーターはパワー管並に電流を食い、B電流も12AX7の10倍以上流さないとメリットが低くなります。もちろん発熱も相当なモノですので気をつけないといけません。

本機ではパワー管が少電流ですので電源トランスの容量も余裕があり、インピーダンスを下げられる、無帰還なので低ミュー管で大丈夫、との理由からピッタリの用途です。

それでも1段ではドライブ不足ですので2段ドライブとし、いつもは直結にするところも無帰還ですので、歪率を下げる目的もあってカップリングコンデンサーを入れました。

初段はRL=4.7kΩ、ドライブ段はNC-14の5kΩと、通常の電圧増幅回路とケタの違うRLで動作できるので、広帯域でイキのいい音が期待できます。

ドライブ段はもう少し低圧動作できれば歪みが減らせそうですがドライブ能力重視と、B電圧をさらにドロップさせないといけないので、発熱を避けたくほどほどにしました。

レイアウトに関してはトランス類に囲まれているため、FW-20Sの間隔を開けて風の通り道を作るなど、放熱には気を使いました。



● ● ●


電源部

10系パワー管の場合、フィラメントは7.5V・1.25Aと共通で+B電圧側もほぼ共通ですので贅沢言わなければ楽に設計できるハズですが、VT-62用に100V以上高い電圧をスイッチ切り替えで印加できるようにするため、結構面倒なことになってしまいました。

まず、それを可能にするため、電源トランスはノグチ(ゼネラル)トランスのPMC-120一択で、そこから決めて行きます。

通常の10系パワー管の場合は350V端子から取り出し、VT-62は450Vから取り出すことにします。500V端子もあるのでそちらの方がもっとパワーが出せますが、ケミコンの2階建てをしなくて済むギリギリの電圧にしました。

整流管は安全圏を見て5R4系一択です。5R4系は逆耐電圧が2800Vもありますから余裕ですが、5U4系など他の整流管は1550V(÷2√2=548V)程度のものが多く、VT-62使用時には少々心許ありません。

ドライブ段はパワー管の高電圧から降圧して使うには電圧差がありすぎ、非効率のため別に用意します。

PMC-120は+B用の最低端子が300Vで、これでも高すぎるので整流管を使いたくなります。

ところが整流管のフィラメント用巻線が1つしかなく、5R4で使うと困ることになります。

多くの方がドライブ段用はシリコンダイオードで整流しているのは電源トランスの巻線不足が理由ですが、できればこちらも整流管を使いたいです。

色々探した結果、フィラメント電圧のいらないガス入り冷陰極整流管・0Z4Gを使うことにしました。

この整流管、少々使うには安定度の面で心配があったのですが、他に選択肢がありません。

但しレイセオンのCK1007もフィラメント電圧印加無しで使えることが解りましたので、そちらも使えるようにしました。

定電圧放電管チェッカー

↑ マジックアイチェッカー1号機を壊して定電圧放電管チェッカーに改造した。元からあるケミコンのチェック・再化成器としての機能はそのまま。マジックアイチェッカーは現在3号機があるので問題ない。


  東芝の5R4GYとRCAの5R4G

↑ 東芝の5R4GYとRCAの5R4G。ベースの色がRCAの方が本機に合うが印字面が前後逆で何も書いてない部分が正面に来るため東芝の方を使うこといした。


0Z4GとCK1007.jpg

↑ レイセオンの0Z4GとCK1007。ガス入り整流管と言えばレイセオン! 他にシルバニアなども在庫中だが測定結果が思わしくなかった。




それでもまだドライブ段の+B電圧は高すぎます。整流後はあと150V以上も下げないといけないのですが、それを抵抗でやっては発熱量が多くなってやりたくありません。

そこで定電圧放電管を使ってドロップさせることにしました。150V以上なら0A2(VR150MT)を使った方が良いのですが、放電開始電圧にバラつきがあるとちゃんと動作するか解らないため、0B2(VR105MT)を使うことにしました。

つまり定電圧放電管として使っていませんが、シャーシー内部の発熱を大幅に抑えることができます。

本機は5687の片チャンネル初段+ドライブ段で約20mA流れ、両チャンネルでは0B2の許容電流30mAを超えますの左右別々に2本使うことにします。

また、定電圧放電管はバラつきが結構大きいため、数十年も前に作ったマジックアイチェッカーを定電圧放電管チェッカーに改造してなるべく規定の108Vのものを選びました。(0B2/VR105MTは品番の105Vではなく、定格108Vです)

そんなことも途中やっていたので、定電圧放電管の選定だけで3日も掛かってしまいました。


● ● ●


その他オマケ

いつもリスニングルームでパワーアンプをつなぎ替えている時、リア側は暗くてやりにくいと思っていました。

そこで本機では新たな試みとして端子を明るく照らすガイドイルミネーションと言う考えを導入し、RCA入力とスピーカーターミナルにLEDを埋め込み、配線しやすいようにしました。

で、そこまでやるならと、フロントパネルのボリュームつまみなども照らすようにイルミネーションを導入しました。

ただ、せっかく明るいトリウムタングステンフィラメントのパワー管より目立ってはいけないので、色には細心の注意をはらい、あまり濃い色にならないようレモンイエローとスカイブルーのLEDを使い、不要ならオフにできるようスイッチを追加しました。

通常はトリタン球を活かすためオフにしておき、オキサイドコートのWE・VT-25A使用の時にオンにする、などと使い分けられます。

リアはプラス側と右を赤、マイナス側と左を緑に決めて解りやすくしようと思ったのですが、これらはジツは失敗談がありまして、後で書きますが本機完成後の最初の改造要因となってしまいました。


  リアのガイドイルミネーション

↑ リア・パネルのガイドイルミネーション。普段はバナナプラグのスピーカー配線を挿すので見えなくなる。


フロントイルミネーション

↑ フロントイルミネーション。オン/オフできる。明るく見えるがトリタンフィラメントよりは暗くて主張しすぎない。





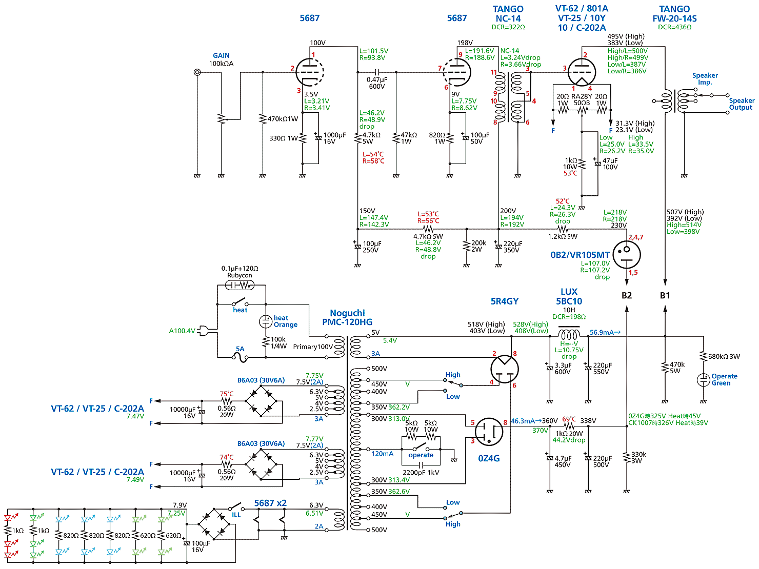
回路図

黒字青字=設計値、緑字赤字=実測値
パワー管はユナイテッドの801Aを使用、第2整流管はレイセオンの0Z4Gを使用した時の測定値。


→ シャーシー設計と使用部品